تقديم
|
في المثال الذي سنزودك به في هذا المقال القصير ستتمكن من الضغط على زر في جهاز الإرسال ليشتعل جهاز ما مرتبط بجهاز الإستقبال كصمام ضوئي أو مرحل ليقوم هذا الأخير بتشغيل جهاز آخر. |
مواصفات البطاقة
|
تعمل على النطاق الموجي القصير 35 كيلوهرتز |
Short-range 35KHz operation |
|
قناة اتصال واحدة |
single-channel units |
|
لا تحتاج لهوائيات خارجية للاتصال |
no outer antennas required |
|
دارة كهربائية بسيطة |
Simple circuitry |
|
تخترق الحائط بعكس الأشعة تحت الحمراء |
|
|
جهاز الإستقبال يشتغل فقط بجهد كهربائي 3 فولط وشدة تيار ضعيفة جدا 100µA وبالتالي يمكن أن لا تستبدل البطارية لسنوات. |
الأجزاء الرئيسية للمرسل
|
العربية |
الرمز في الدارة الكهربائية |
الكمية |
القيمة أو الصيغة |
|
مقاومة |
R1 |
1 |
68KOhm, 1/4W |
|
مكثف |
C1 |
1 |
4.7nF, 630V, Ceramic أو Polyester |
|
C3 |
1 |
100µF, 25V, Electrolytic |
|
|
مكثف مقوم |
C2 |
1 |
60-80pF, 63V Ceramic |
|
مقحل (ترانزستور) Transistor |
Q1 |
1 |
BC337 45V, 800mA, NPN |
|
Q2 |
1 |
BD139 80V, 1.5A, NPN |
|
|
زر ضغطي Pushbutton |
P1 |
1 |
SPST |
|
بطارية |
B1 |
1 |
6 إلى 9 فولط يمكنك استخدام 4 إلى 6 بطاريات من صنف AA 1.5V مركبة على التوالي (انظر للملاحظات) |
|
وشيعة (ملف) |
L1 |
1 |
500 turns on a 10mm. diameter, 10cm. long ferrite rod. |
الأجزاء الرئيسية للمستقبل
|
العربية |
الرمز في الدارة الكهربائية |
الكمية |
القيمة أو الصيغة |
|
مقاومة |
R1, R3 |
2 |
1MOhm, 1/4W |
|
R2, R4 |
2 |
47KOhm, 1/4W |
|
|
R5 |
1 |
330KOhm, 1/4W |
|
|
R6, R7 |
2 |
68KOhm, 1/4W |
|
|
R8 |
1 |
180Ohm, 1/4W |
|
|
R9 |
1 |
100Ohm, 1/4W |
|
|
مكثف |
C1 |
1 |
470pF, 63V Ceramic Capacitor (انظر للملاحظات) |
|
C2 |
1 |
10nF, 63V Polyester or Ceramic |
|
|
C3 |
1 |
100µF, 25V Electrolytic |
|
|
C4, C5 |
2 |
100nF, 63V Polyester or Ceramic |
|
|
C6 |
1 |
1µF, 63V Polyester, Ceramic or Electrolytic |
|
|
صمام ضوئي |
D1 |
1 |
5 or 3mm. لون أحمر |
|
مقحل (ترانزستور) |
Q1, Q2, Q3 |
3 |
BC549C, 25V, 100mA, NPN High-gain Low-noise |
|
Q4 |
1 |
BC328, 30V, 800mA, PNP |
|
|
طنان كهربائي |
BZ1 |
1 |
incorporating 3KHz oscillator, (ليس ضروريا، انظر للملاحظات) |
|
مرحل |
RL1 |
1 |
5V DIL Reed-Relay SPDT or DPDT (Optional, see Notes) |
|
بطارية |
B1 |
1 |
3 فولط بطاريتين 1.5 فولط من صنف AA أو AAA أو AAAA أو بطارية ليثيوم 3 فولط |
|
وشيعة (ملف) |
L1 |
1 |
700 turns on a 10mm. diameter, 10cm. long ferrite rod. Enameled wire diameter: 0.2mm. The tap is made after 350 turns, i.e. at the center of the winding |
الدارة الكهربائية
|
دارة المرسل
تم تركيب الترانزستورين Q1 و Q2 على شكل زوج مصمم للحصول على أعلى خرج متذبذب ممكن. كما يجب تقليم قيمة C2 للحصول على أعلى موجة جيبية (من الأحسن استعمال جهاز راسم الإشارة المسمى الأوسيليسكوب). بالنسبة لنا في هذا التصميم فقد حصلنا على موجة جيبية عبر C1 وصلت إلى 800 فولط من الذروة إلى الذروة عند تزويد الدارة بجهد 9 فولط وشدة تيار 450 ميليأمبير. |
|
|
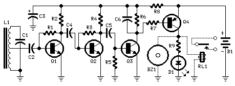
دارة المستقبل
دارة المستقبل أعقد بقليل من دارة المرسل وهي كالتالي: |
|
|
|
|
|
يشكل الترنزستورين Q1 و Q2 طورين للتضخيم الخطي. لذا، عند التقاط الإشارة الصغيرة ذات التردد 35 كيلوهرتز من طرف الوشيعة L1 سيتم تضخيمها بشكل كبير بهذين الترانزستورين ليتم تغذية الترانزستور Q3 بها. هذا الأخير مركب في الدارة من أجل تحويل الإشارة الترددية إلى تيار مستمر. عندما تصل الإشارة إلى مدخل Q3، يتم خفض الجهد عند جامعه (Collector)، ومنه يتم تنشيط الصمام الضوئي D1 (أو بوق صغير BZ1 أو مرحل RL1) بواسطة Q4.
شدة التيار الإحتياطي للدارة هي 100µA، وترتفع إلى 10mA عندما يشتعل الصمام الضوئي وإلى 20mA عندما يشتغل المرحل. |
|
ملاحظات
|
1- من المستحسن إضافة مبدد حراري (heatsink) صغير للترنزستور Q2.
2- من الأحسن تزويد المرسل بجهد كهربائي 6 فولط. في هذه الحالة تكون شدته هي 300 ميليأمبير.
3- يجب ضبط المستقبل على نفس تردد المرسل. يمكنك البدء بالقيمة 470pF للمكثف C1، ثم بعد ذلك تقم بتغييرها عن طريق زيادة مكثفات صفيرة موصولة على التوازي معه، من أجل الحصول على جهد أعلى للتيار المتناوب عند جامع الترانزستور Q2 (من الأحسن استعمال رسام الإشارة هنا الأوسيليسكوب). قيمة C1 يمكنها أن تتغير من 400 إلى 800pF. قم بهذا مع اعتبار أنك وضعت جهاز الإرسال على بعد 4 أو 5 أمتار من جهاز الإستقبال. |
لا بد من قراءته
|
من فضلك اضطلع على المقالات الثلاث التالية ولو بنظرة خاطفة إذ أنها مهمة في تحويل الدارات الكهربائية إلى بطاقات إلكترونية بمهنية عالية وبصنع يدك فقط:
|
من التصميم إلى التركيب
|
لا يوجد تركيب خاص لدارة المستقبل ودارة المرسل. ولكن على كل حال فلا يخرج أمر صنعهما عن ما يبدوا لك في النموذج المبيت في هذه الصور. أول بادئ ذي بدء، قم بالاعتماد على المقالات الموجودة في لا بد من قرائته لتصمم الدارتين أعلاه على هواك. ومن ثم استفذ من الصور المبعثرة في هذا المقال إذا كنت تنوي تصميم هيكلين لهما بطريقة جميلة. |
|
|
|
|
|
|
|
تأليف
تأليف: http://www.redcircuits.com
ترجمة بتصرف: محمد السهلي
المراجع






التعليقات
اخي العزيز ممكن ا ن تدلني على شخص يصنع جهاز يبث ذبذبات من 1 هيرتز الى الكيلو هيتز وحتى 250 ميجا هيرتو
مع الشكر الجزيل