{jumi [*3]}
تسميات
|
إنتبه إلى أنه قد اعتمدنا التسميات التالية خلال هذه السلسلة:
تجد جميع مصطلحات مقالات هذه السلسلة في قاموس المصطلحات التابع لها. |
ملفات المقال
|
يمكنك تحميل ما يلي للاستفاذة أكثر من المقال: |
محاضرة المقال
شاشة الإظهار الكريستالية المحرفية
|
إن شاشة الإظهار الكريستالية LCD هي عبارة عن مصفوفة نقطية تستخدم لعرض المعلومات والنتائج، ويمكن من خلالها إظهار جميع رموز الآسكي تقريباً والتي يبلغ عددها 189 رمزاً مختلفاً.
تعتمد شاشة الإظهار LCD على البلورات السائلة، حيث تم اكتشاف البلورات السائلة أول مرة في عام 1888 من قبل عالم النبات النمساوي فريريك رينتيزير الذي لاحظ أنه عندما يتم صهر الكوليسترول النباتي يصبح غير صافٍ، ومن ثم يأخذ بالصفو عندما ترتفع درجة حرارته. وبالاعتماد على التبريد يبدأ السائل (الكوليسترول) بالتحول إلى اللون الأزرق قبل التبلور الأخير له. في عام 1968 وبعد مرور ثمانين سنة، صنعت شركة RCA شاشة الـLCD الأولى.
تحتوي شاشة الإظهار LCD على شريحة معالج إظهار خاص مصنع بتقنية CMOS ويحمل في أغلب شرائح شاشات الإظهار الرقم HD44780 المصنع من قبل شركة Hitachi اليابانية، فتوفر بذلك على المستخدم القيام بالعديد من العمليات الشاقة والمعقدة، كما تزود شاشة الإظهار LCD بذاكرة داخلية خاصة تقسم بدورها إلى قسمين:
تقوم هذه الذواكر بالاحتفاظ بالرموز المراد إظهارها وتمكن المبرمج من إعادة إظهارها بدون الحاجة إلى إرسالها مرة أخرى. إضافة إلى ذلك تحتوي الشاشة LCD على دارات قيادة (Drivers) لخانات شاشة الإظهار. تأتي شاشة LCD بمقاسات مختلفة من عدد الأسطر والأعمدة (المحارف)، حيث يمكن أن تكون مؤلفة من سطر حتى أربعة أسطر، ويحتوي كل سطر على عدد من الخانات (المحارف) يتراوح من 16 وحتى 40 الخانة؛ والخانة هي عبارة عن مربع صغير يتم فيه إظهار محرف واحد فقط؛ وأكثر الشاشات شيوعاً هي الشاشات ذات القياسات التالية: Chars × Lines: 16 x 1 | 16 x 2 | 16 x 4 | 20 x 2 | 20 x 4 | 40 x 2 | 40 x 4
تملك شاشات LCD بشكل عام نفس أقطاب التحكم مع وجود بعض الاختلافات البسيطة. يبين الشكل التالي أقطاب التحكم لشاشة LCD ذات سطرين و 16 عمودا وفيما يلي أسماء هذه الأقطاب ووظيفتها. |
|||
|
|
|
|
|
|
|
|
||
|
الشكل 1: شاشة إظهار كريستالية محرفية ذات قياس 16x2 |
|||
|
|
|
|
|
|
|
|
||
|
الشكل 2: شاشة إظهار كريستالية محرفية ذات قياس 20x4 |
|||
|
|
|||
|
الشكل 3: الرموز التي يمكن إظهارها على شاشة الإظهار المحرفية |
|||
|
|
|||
|
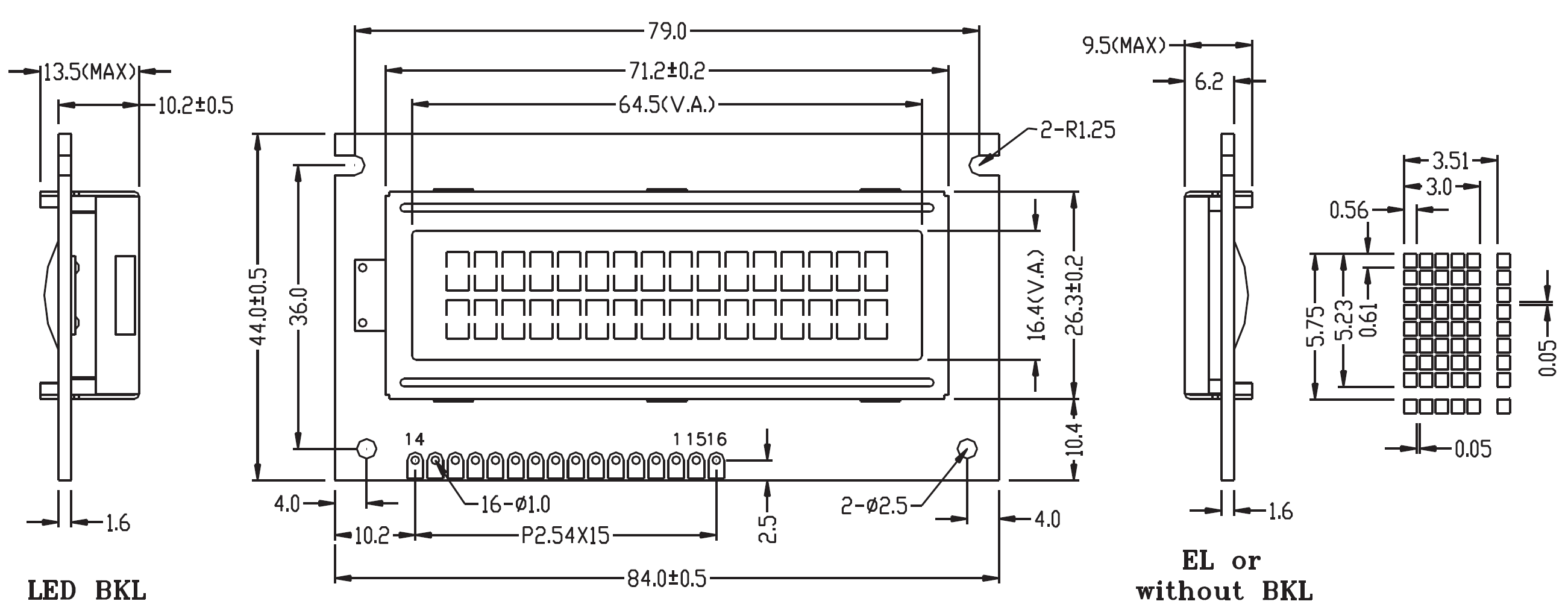
الشكل 4: المحيط الخارجي لشاشة الإظهار المحرفية وتوزع الأقطاب ووظائفها |
|||
|
* القطب Vss: قطب التغذية السالب للشاشة GND. * القطب Vdd: قطب التغذية الموجب للشاشة 5V+. * القطب Vo: قطب جهد التباين، ويقصد بالتباين حدة ظهور الرمز على الشاشة. عند أقل قيمة تباين لا يمكن أن تظهر الرموز على الشاشة ويكون هذا عند تطبيق 5v+ على هذا القطب. أعلى تباين للشاشة يكون عند تطبيق GND على هذا القطب ويمكن التحكم بتباين الشاشة عن طريق وصل قطب التباين 0V إلى مقاومة متغيرة 10K. * القطب RS: قطب مسجل اختيار الدخل للشاشة؛ من أجل إرسال أمر تحكم، يتم وضع أمر التحكم على أقطاب D0-D7 ويتم تطبيق “0” منطقي على هذا القطب؛ ومن أجل إرسال معطيات إلى الشاشة فيتم وضع المعطيات على أقطاب D0-D7 ويتم تطبيق “1” منطقي على هذا القطب. * القطب R/W: ويتم تطبيق “1” منطقي على هذا القطب للقراءة (R) من ذاكرة الشاشة، ويتم تطبيق “0” منطقي على هذا القطب للكتابة (W) إلى الشاشة. |
|
||
|
* القطب E: إن تأكيد عملية إرسال أمر تحكم أو معطيات إلى الشاشة يتم من خلال نبضة تمكين عند الجبهة الهابطة على القطب E. * الأقطاب منDB0 إلىDB7: هي أقطاب المعطيات (DATA)، حيث يتم كتابة المعطيات أو قراءتها أو كتابة كلمات التحكم إلى شاشة LCD عبر هذه الخطوط. * القطبين K وA: تملك بعض الشاشات إضاءة خلفية (Backlight) وظيفتها تأمين الإضاءة الكافية للشاشة ليتمكن المستخدم من رؤية العبارات المكتوبة عليها في الليل؛ يتم تشغيل الإضاءة بتطبيق 5V+ على A وGND على K. |
|||
أنماط عمل شاشات الإظهار المحرفية
|
تملك شاشة الإظهار الكريستالية نمطي عمل:
|
برمجة شاشة الإظهار المحرفية LCD في Bascom-AVR
|
تعليمات التعامل مع شاشة الإظهار الكريستالية LCD في البيئة Bascom-AVR على قسمين:
|
تعليمات التهيئة تتضمن:
ConfigLcd= 16 * 2
Config Lcdpin = Pin , Db4 =Portc.2 , Db5 =Portc.3 , Db6 =Portc.4 , Db7 =Portc.5 , E =Portd.3 , Rs =Portd.4
Config Lcdpin = Pin , Port =Portc, E =Portd.3 , Rs =Portd.4 |
تعليمات الإظهار تتضمن مجموعة من التعليمات:
|
عرض متحول |
Lcd var |
|
عرض عبارة نصية |
Lcd“Hello World” |
|
إطفاء الشاشة |
DisplayOff |
|
تشغيل الشاشة |
DisplayOn |
|
إزاحة المحتوى إلى اليمين خانة |
ShiftlcdRight |
|
إزاحة المحتوى إلى اليسار خانة |
ShiftlcdLeft |
|
تفعيل مؤشر الكتابة – خفقان |
CursorOn [Blink] |
|
إخفاء مؤشر الكتابة |
CursorOff |
|
إزاحة مؤشر الكتابة خانة إلى اليمين |
ShiftcursorRight |
|
إزاحة مؤشر الكتابة خانة إلى اليسار |
ShiftcursorLeft |
|
وضع مؤشر الكتابة عند نقطة محددة (سطر/عمود) |
Locate X , Y |
|
الانتقال إلى السطر/العمود الأول (نقطة البداية) |
HomeUpper |
|
تحريك مؤشر الكتابة إلى السطر التالي |
Lowerline |
|
الانتقال إلى السطر الثالث |
Thirdline |
|
الانتقال إلى السطر الرابع |
Fourthline |
|
وضع مؤشر الكتابة في بداية السطر الثالث |
HomeThird |
|
وضع مؤشر الكتابة في بداية السطر الرابع |
HomeFourth |
|
تعريف محرف إضافي باستخدام الأداة LCD Designer |
Deflcdchar 0, 14, 17,... |
|
إظهار المحرف الإضافي على الشاشة |
LcdChr(x) |
التجربة الرابعة عشرة
|
المطلوب كتابة برنامج لتشغيل شاشة إظهار محرفية كريستالية في النمط 4bit موصولة إلى متحكم مصغر ATmega32A وفقاً لمخطط التوصيل للوحة التعليمية.
ملاحظة: هذا البرنامج يمكن تشغيله مباشرة على اللوحة التعليمية. |
|
|
|
الشكل 5: توصيل شاشة LCD مع المتحكم ATmega32 للتجربة 14 |
|
البرنامج Exp.14.bas في بيئة BASCOM-AVR: '**************************************************************************** |
التجربة الخامسة عشرة
|
المطلوب كتابة برنامج لتشغيل شاشة إظهار محرفية كريستالية في النمط 4bit موصولة إلى متحكم مصغر ATmega32A وفقاً لمخطط التوصيل للوحة التعليمية.
ملاحظة: هذا البرنامج لا يمكن تشغيله على اللوحة التعليمية. |
|
|
|
الشكل 6: توصيل شاشة LCD مع المتحكم ATmega32 للتجربة 15 |
|
البرنامج Exp.15.bas في بيئة BASCOM-AVR: '**************************************************************************** |
الحقوق الفكرية
|
حقوق النشر محفوطة م.وليد بليد Copyright © 2012 Walid Balid All rights reserved |
تأليف
المؤلف: وليد بليد (سوريا)
{jumi [*3]}
{jumi [*3]}
{jumi [*3]}












التعليقات
تسلم يالغالي ..