تسميات
|
بالعربية: المضخم العملياتي أو المكبر العملياتي بالإنجليزية Operational Amplifiers بالفرنسية Amplificateur Operationel
العربية: الصمام الثنائي أو الثنائي أو الديود أو الدايود الإنجليزية: Diode الفرنسية: Diode |
التطبيق 1 - مضخم إشارة (Amplifier)
|
أحد أهم تطبيقات المضخم العملياتي هو استخدامه كمضخم للإشارة.
تذكير ”ربح الجهد“ نعرف ربح الجهد للمضخم بوجه عام على أنه نسبة جهد الخرج إلى جهد الدخل: A0= Vout ÷ Vin نميز ثلاث حالات بالنسبة للإشارة الجبرية لربح الجهد:
ونميز ثلاث حالات بالنسبة للقيمة المطلقة لربح الجهد:
نميز الآن نوعين من المضخمات: |
|
مضخم إشارة غير عاكس يقوم هذا المضخم بتغيير مطال إشارة الخرج اعتماداً على قيم المقاومات، وتأخذ الدارة الشكل جانبه. لا يسبب هذا المضخم أي انزياح في الطور بين إشارتي الدخل والخرج. لنقم بحساب ربح الجهد AV لهذا المضخم. بما أنه لا تدخل أية تيارات إلى المضخم العملياتي عبر مدخليه، فإن Ib = 0. مما يعني أن IR1 = IR2، نعوض كلاً منIR1 و IR2 من قانون أوم نجد: |
||
|
|
|
|
|
لكن V- = V+ = Vin ومنه: |
||
|
|
||
|
إذن يمكن للمصمم أن يحدد ربح الجهد للمضخم العملياتي، وذلك عن طريق تغيير قيم المقاومات R1 و R2. يمكن الوصول إلى النتيجة السابقة من قانون مجزئ الجهد: |
||
|
|
||
|
ملاحظة: لايمكن للمقدار R1÷R2 + 1 أن يكون أصغر تماماً من الواحد لأن ذلك يؤدي إلى كون0 R1 وهذا مستحيل، مما يعني أن ربح هذه التشكيلة أكبر تماماً من الواحد.
مثال: ارسم إشارة خرج الدارة التالية من أجل إشارة الدخل المبينة بالشكل إليها: |
||
|
|
|
|
|
إن تضخيم الجهد لهذه الدارة يساوي: |
|
|
|
|
||
|
أي ستكبر إشارة الدخل 4 مرات، ومن ثمَّ سيكون شكلها كما هو مبين جانبه.
ملاحظة: الإشارة المنقطة هي إشارة الدخل. |
||
|
مضخم إشارة عاكس يقوم هذا المضخم بتغيير مطال إشارة الخرج اعتماداً على قيم المقاومات، وتأخذ الدارة الشكل جانبه. يسبب هذا المضخم انزياحاً في الطور بين إشارتي الدخل والخرج قدره 180o. لنقم بحساب ربح الجهد AV لهذا المضخم. لا تدخل أية تيارات إلى المضخم العملياتي عبر المدخل -V لذا يمكن أن نكتب: |
|
|
|
|
|
إلا أن V-=V+=0 ومنه: |
|
|
|
|
|
حيث تدل إشارة الناقص على وجود فرق في الطور بين إشارتي الدخل والخرج، لأنه عندما يكون مطال إحداهما موجباً يكون مطال الأخرى سالباً والعكس بالعكس. إذن يمكن للمصمم أن يحدد ربح الجهد للمضخم العملياتي، وذلك عن طريق تغيير قيم المقاومات Rf و Rin. يمكن الوصول إلى النتيجة السابقة من قانون مجزئ الجهد بتطبيق مبدأ التراكم (superpositioning). نؤرض Vin وندع Vout كما هي ونحسب V- نجد: |
|
|
|
|
|
ثم نؤرض Vout وندع Vin كما هي ونحسب V- نجد: |
|
|
|
|
|
وبتطبيق مبدأ التراكم نجد: |
|
|
|
|
|
إلا أن V- =V+=0 ومنه: |
|
|
|
|
|
ملاحظات: عندما يكون Rf > Rin فهذا يعني أن 1 < |AV | ومن ثمَّ سيكون مطال إشارة الخرج أكبر من مطال إشارة الدخل ويجري تكبير للإشارة. أما إذا كان Rf > Rin فهذا يعني أن 1 > |AV | ، مما يعني أن مطال إشارة الخرج أصغر من مطال إشارة الدخل ويجري تخميد للإشارة.
مثال: ارسم إشارة خرج الدارة التالية من أجل إشارة الدخل المبينة بالشكل إليها: |
|
|
|
|
|
إن تكبير الجهد لهذه الدارة يساوي: |
|
|
|
|
|
أي ستكبر إشارة الدخل 3 مرات وتعكس، ومن ثمَّ سيكون شكلها كما هو مبين جانبه.
ملاحظة: الإشارة المنقطة هي إشارة الدخل. |
التطبيق 2 – عازل (Buffer)
|
يمكن تعريف العازل على أنه مضخم ذو ربح جهد يساوي الواحد: 1 = |AV |، أي أن إشارة الخرج هي إشارة الدخل ذاتها. وإن العازل buffer حالة خاصة من مضخم الإشارة بربح يساوي الواحد. وبناءً على هذا نميز نوعين من العوازل:
|
||
|
عازل غير عاكس ينقل هذا العازل إشارة الدخل إلى الخرج كما هي تماماً، دون أي تغيير في المطال أو الطور. ويعد هذا المضخم حالة خاصة من المضخم غير العاكس المدروس سابقاً. تأخذ الدارة الشكل جانبه. ثم لننطلق من الفرض: |
|
|
|
|
||
|
مما يعني أن R1 = 0 أو ∞ = R2، أي يمكن وضع سلك بدلاً من R1 ووضع مقاومة ما R2، أو إزالة المقاومة R2 وترك الدارة مفتوحة مكانها ووضع مقاومة ما R1. وفي الحقيقة، من أجل توفير الاستطاعة نقوم بوضع سلك بدلاً من R1 وإزالة المقاومة R2 وترك الدارة مفتوحة مكانها لتأخذ الدارة الشكل السابق.
يمكن النظر إلى الدارة السابقة ببساطة أكثر، إن وصل Vout مع V- الذي يساوي بدوره V+ أي Vin يعني أن يصبح: Vout = Vin. يسمى هذا العازل بالتابع الجهدي (Voltage follower) وذلك لأن إشارة الخرج تتبع تغيرات إشارة الدخل.
مثال: ارسم إشارة خرج الدارة التالية من أجل إشارة الدخل المبينة بالشكل إليها: |
||
|
|
|
|
|
إن تكبير الجهد لهذه الدارة يساوي: AV = 1
أي إشارة الخرج ستطابق إشارة الدخل كما هو مبين في الشكل جانبه: |
|
|
|
عازل عاكس ينقل هذا العازل إشارة الدخل إلى الخرج كما هي، إلا أنه يسبب انزياحاً في الطور بمقدار 180o، أي سيكون مطال إشارة الخرج سالباً عندما يكون مطال إشارة الدخل موجباً، والعكس بالعكس، مما يعني أن ربح الجهد لهذا العازل هو AV = -1. يعد هذا المضخم حالة خاصة من المضخم العاكس المدروس سابقاً. تأخذ الدارة الشكل جانبه: |
|
||
|
لننطلق من الفرض: |
|
||
|
إذن لا تختلف هذه الدارة عن دارة المضخم العاكس، إلا بتساوي المقاومتين RfوRin، وقد فرضنا في الرسم السابق أن Rf = Rin = R.
مثال: ارسم إشارة خرج الدارة التالية من أجل إشارة الدخل المبينة بالشكل إليها: |
|||
|
|
|
||
|
إن تكبير الجهد لهذه الدارة يساوي: AV = -1
أي إشارة الخرج ستطابق عكس إشارة الدخل.
ملاحظة: الإشارة المنقطة في الشكل جانبه إنما هي إشارة الدخل |
|
||
|
قد يبدو للوهلة الأولى أن دارة العازل عديمة الفائدة، ولكن تذكر أن ممانعة الدخل للمضخم العملياتي عالية جداً، في حين أن مقاومة الخرج معدومة أو شبه معدومة، لذا يمكن استخدام دارة العازل في التوفيق بين ممانعتي مرحلتين متتاليتين من نظام إلكتروني ما، الأولى مرتفعة والأخرى منخفضة، مما يعني انتقال أعظم قدر من الاستطاعة بين هاتين المرحلتين (impedance matching). |
|||
التطبيق 3 – الجامع (Adder)
|
يبين الشكل التالي دارة الجامع. تشبه هذه الدارة دارة المضخم العاكس، إلا أن لها أكثر من دخل بدلاً من أن يكون لها دخل وحيد. لنقم بحساب جهد الخرج Vout لهذه الدارة: |
|||||
|
يمكن أن نكتب: |
|
|
|||
|
إلا أن V-=V+=0 ومنه: |
|
||||
|
إذا جعلنا R1 = R2 = R3 عندها سيكون: Vout = –V1 – V2 |
|||||
|
هذا يعني أن قيمة جهد الخرج تساوي مجموع قيمتي جهدي الدخل، إلا أن المجموع معكوس، وللحصول على مجموع غير معكوس تستخدم مرحلة ثانية بعد دارة الجامع هي عازل عاكس كما في الشكل جانبه. |
|
||||
|
هنا سيكون: Vout = V1 + V2
يمكن استخدام دارة الجامع بأكثر من مدخلين، وذلك بنفس المنطق السابق:
Vout=V1+V2+...+Vn |
|
||||
|
ملاحظة: إن الدارة المدروسة تقوم بحساب المجموع دون أية أمثال، أي: Vout = V1 + V2 + V3 + ... وذلك لأن ربح المضخم الجامع بالنسبة لكل مدخل يساوي: -R/R = -1 أما إذا أردنا تحقيق المعادلة التالية والتي تعد الأعم: Vout = aV1 + bV2 + cV3 + ... |
|||||
|
فعلينا ضبط ربح الجهد بالنسبة لكل دخل وفقاً للمعاملات a،b،c... أي كما في الدارة جانبه.
إذن يضرب كل جهد دخل بربح الجهد بالنسبة إليه ثم تجمع الجهود جميعاً. |
|
||||
|
مثال 1: أوجد إشارة الخرج للدارة التالية: |
|
||||
|
علماً أن Vin لها الشكل: |
|
||||
|
الحل: ستجمع كل نقطة من الإشارة Vin السابقة مع القيمة 1V مما يعني الإشارة ستزاح كما هي نحو الأعلى بمقدار 1V لتصبح إشارة الخرج بالشكل جانبه. لا بد من الإشارة إلى أن أهمية هذه الدارة هي في الحصول على المجموع معكوساً مرةً، وغير معكوس أخرى. |
|
||||
|
مثال2: أوجد قيمة جهد الخرج للدارة التالية: |
|
||||
|
الحل: إن الربح بالنسبة للمدخل الأول هو (1-) والربح بالنسبة للمدخل الثاني هو (2-) والربح بالنسبة للمدخل الثالث هو (3-) لذا سيكون: Vout = V1 + 2V2 + 3V3 = 1 + 2(-5) + 3(4)= 3V |
|||||
التطبيق 4 – مضخم المتوسط الحسابي (Average Amplifier)
|
يمكن بالتعديل على قيم المقاومات الموضوعة في دارة الجامع الكامل الحصول على دارة، قيمة الجهد في خرجها تساوي مجموع قيم الجهود المطبقة على المداخل، مقسومة على عدد المداخل، مما يعني حساب المتوسط الحسابي (Average) لجهود الدخل، تأخذ هذه الدارة الشكل التالي من أجل مدخلين. لنقم بحساب جهد الخرج Vout لهذه الدارة، يمكن أن نكتب: |
||
|
|
|
|
|
إلا أن V-=V+ =0 ومنه: |
||
|
|
||
|
هذا يعني أن قيمة جهد الخرج تساوي المتوسط الحسابي لقيمتي جهدي الدخل، إلا أن الناتج معكوس، وللحصول على مجموع غير معكوس تستخدم مرحلة ثانية هي عازل عاكس كما في الشكل جانبه. هنا سيكون:
Vout = (V1+V2)/2 |
|
|
|
يمكن حساب المتوسط الحسابي لأكثر من مدخلين، وذلك بنفس المنطق السابق:
Vout=(V1+V2+...+Vn)/n
حيث n هو عدد المداخل. |
|
|
|
إذن لا بد من معرفة عدد المداخل المراد حساب المتوسط الحسابي لها، فبعد أن نختار قيمة مقاومة التغذية الخلفية R، نضع على كل مدخل من المداخل مقاومة قيمتها n*R. مثال: أوجد جهد الخرج للدارة التالية: |
||
|
نلاحظ أنه لدينا أربعة مداخل، وعلى كل مدخل توجد مقاومة قيمتها تعادل أربعة أضعاف قيمة مقاومة التغذية الخلفية، لذا بتطبيق مباشر للقانون السابق نجد أن:
Vout=(V1+V2+V3+V4)/4 Vout=(5 – 2 + 1.5 –7)/4 Vout= –1.25V |
|
|
التطبيق 5 – مضخم تفاضلي (Differential Amplifier)
|
المضخم التفاضلي هو مضخم يعطي في خرجه جهداً، قيمته هي الفرق بين قيمتي جهدي الدخل. لندرس الدارة التالية، نعلم أن: V+ = V- نحسب كلاً منهما على حدى حسب مجزئ الجهد: |
|
|
|
|
|
نساوي بينهما: |
|
|
|
|
التطبيق 6 –المكامل (Integrator)
|
إن التابع الزمني لإشارة خرج هذه الدارة هو تكامل التابع الزمني لإشارة دخلها مع تغيير بالمطال. يبين الشكل جانبه دارة المكامل. ونذكر أن العلاقة بين التيار المار بالمكثف والجهد المطبق عليه هي: IC = C.dUC/dt يتضح من الدارة أن IR = IC ، ومنه: |
|
|
|
|
التطبيق 7 –المفاضل (Differentiator)
|
إن التابع الزمني لإشارة خرج هذه الدارة هو تفاضل (مشتق) التابع الزمني لإشارة دخلها مع تغيير بالمطال. يبين الشكل جانبه دارة المفاضل. يتضح من الدارة أن IR = IC ، ومنه: |
|
|
|
|
التطبيق 8 – مبدل جهد إلى تيار
|
تسمح لنا هذه الدارة بالحصول على منبع تيار بسيط انطلاقاً من منبع جهد، وتتعلق قيمة هذا التيار بقيمة منبع الجهد المطبق على المدخل غير العاكس.
نذكر أولاً بأن منبع التيار هو منبع يزود الحمل بتيار ثابت ذي قيمة مستقلة عن قيمة الحمل و تتحدد قيمة الجهد اعتماداً على قيمة الحمل، على عكس منبع الجهد الذي يزود الحمل بجهد ثابت ذي قيمة مستقلة عن قيمة الحمل و تتحدد قيمة التيار اعتماداً على قيمة الحمل. يبين الشكل جانبه دارة مبدل الجهد إلى تيار. لنقم بتحليل هذه الدارة على اعتبار أن الحمل هو RL والتيار المار فيه هو IL . |
|
|
|
|
|
يظهر من العلاقات التالية أن تيار الخرج لا يتعلق بالحمل، وإنما يتعلق فقط بـ Vin و R2. وبثبات قيمة R2 نلاحظ أننا نحول قيمة الجهد Vin إلى تيار IL. |
|
التطبيق 9 – مقوم نصف موجة (Half wave rectifier)
|
إن دارة تقويم نصف موجة هي دارة تقص إشارة الدخل أفقياً بمحور الزمن أي عند القيمة V = 0V وتسمح بمرور أحد القسمين الناتجين فقط إلى الخرج. يبين الشكل جانبه دارة تقويم نصف موجة.
تسمح هذه الدارة بمرور القسم الموجب من الإشارة ولا تسمح بمرور القسم السالب منها. لنحلل الدارة في الحالتين: |
|
|
1- عندما يكون مطال إشارة الدخل موجباً، تكون النقطة A سالبة (خرج المضخم العملياتي) بالنسبة للنقطة K، لأن أثر التغذية الخلفية لم يظهر بعد، فالمضخم يعمل كمقارن، مما يعني أن الصمام الثنائي منحاز عكسياً ويكافأ بدارة مفتوحة كما في الشكل جانبه. مما يعني أن المضخم العملياتي لن يؤثر على الخرج، بل سيكون Vout ≈ Vin. |
|
|
2- وعندما يكون مطال إشارة الدخل سالباً، تكون النقطة A موجبة بالنسبة للنقطة K، مما يعني أن الصمام الثنائي منحاز أمامياً ويكافأ بدارة مقصورة كما في الشكل جانبه. عندها سيظهر أثر التغذية الخلفية السالبة، ويكون ربح هذا المضخم – كما ورد سابقاً – مساوياً: |
|
|
|
|
|
ومن ثمَّ سيكون: Vout = 0V. |
|
|
للحصول على القسم السالب من الإشارة نستخدم الدارة جانبه التي عليك أن تقوم بتحليلها.
ملاحظة: لا يمكن إزالة المقاومة R عند المدخل العاكس للمضخم العملياتي من كلتا الدارتين السابقتين، مما يعني أن جهد الدخل سيتجزأ بين المقاومة R والحمل، ولا بأس في ذلك إذا كانت مقاومة الحمل أكبر بكثير من المقاومة R. |
|
|
أما إن كانت قيمة الحمل قريبة من قيمة المقاومة R، فيمكن التغلب على هذه السلبية بأن نستخدم الدارتين التاليتين: |
|
|
|
|
|
مثال 1: ارسم إشارة جهد الخرج للدارة التالية: |
|
|
|
|
|
تسمح هذه الدارة بمرور القسم الموجب من الإشارة ولا تسمح بمرور القسم السالب، مما يعني أن إشارة الخرج ستأخذ الشكل: |
|
|
مثال 2: ارسم إشارة جهد الخرج للدارة التالية: |
|
|
|
|
|
تسمح هذه الدارة بمرور القسم السالب من الإشارة ولا تسمح بمرور القسم الموجب، مما يعني أن إشارة الخرج ستأخذ الشكل: |
|
التطبيق 10 – دارة قص إشارة (Clipper)
|
يشابه عمل هذه الدارة عمل دارة التقويم، إلا أن القص يكون عند جهد معين مرغوب بدلاً من أن يكون عند الصفر. فهذه الدارة تقص إشارة الدخل عند قيمة مرجعية V = Vref وتسمح بمرور أحد القسمين الناتجين إلى الخرج. تشبه هذه الدارة دارة تقويم نصف الموجة، إلا أننا نصل المدخل غير العاكس للمضخم العملياتي مع الجهد المرجعي بدلاً من تأريضه. يمكن للجهد المرجعي أن يكون موجباً أو سالباً. يبين الشكل التالي نموذجاً لهذه الدارة: |
|
|
تسمح هذه الدارة بمرور الجزء من الإشارة الذي مطاله أكبر من Vref، أما الجزء الآخر الذي مطاله أصغر من Vref فلا يمر، ويظهر على الخرج قيمة Vref عوضاً عنه. لنحلل الدارة في الحالتين التاليتين: |
|
|
1-عندما يكون مطال إشارة الدخل أكبر من Vref، تكون النقطة A سالبة (خرج المضخم العملياتي) بالنسبة للنقطة K، لأن أثر التغذية الخلفية لم يظهر بعد، فالمضخم يعمل كمقارن، مما يعني أن الصمام الثنائي منحاز عكسياً ويكافأ بدارة مفتوحة كما في الشكل جانبه. مما يعني أن المضخم العملياتي لن يؤثر على الخرج، بل سيكون Vout ≈ Vin. |
|
|
2-وعندما يكون مطال إشارة الدخل أصغر من Vref، تكون النقطة A موجبة بالنسبة للنقطة K، مما يعني أن الصمام الثنائي منحاز أمامياً ويكافأ بدارة مقصورة كما في الشكل جانبه. عندها سيظهر أثر التغذية الخلفية السالبة، ويكون جهد خرج هذا المضخم مساوياً: Vout = V- = V+ = Vref |
|
|
للحصول على الجزء الآخر من الإشارة نستخدم الدارة التالية التي عليك أن تقوم بتحليلها: |
|
|
مثال 1: ارسم إشارة جهد الخرج للدارة التالية: |
|
|
|
|
|
تسمح هذه الدارة بمرور القسم الموجب من الإشارة ولا تسمح بمرور القسم السالب، مما يعني أن إشارة الخرج ستأخذ الشكل جانبه: |
|
|
مثال 2: ارسم إشارة جهد الخرج للدارة التالية: |
|
|
|
|
|
تسمح هذه الدارة بمرور القسم السالب من الإشارة ولا تسمح بمرور القسم الموجب، مما يعني أن إشارة الخرج ستأخذ الشكل جانبه: |
|
التطبيق 11 – مقوم موجة كاملة (Full wave rectifier)
|
إن دارة تقويم موجة كاملة هي دارة تقص إشارة الدخل أفقياً بمحور الزمن أي عند القيمة V = 0V وتسمح بمرور أحد القسمين الناتجين كما هو إلى الخرج، أما القسم الآخر فتقوم بعكس إشارته ثم تمريره إلى الخرج. يمتاز هذا النوع من التقويم عن التقويم نصف موجة، أنه يسمح بمرور الموجة كاملةً (مع تعديل عليها) دون أن يسبب انقطاعاً في الإشارة، مما يعني تمرير تيار متوسط أكبر.
يبين الشكل جانبه دارة تقويم موجة كاملة. |
|
|
|
من الواضح أن دارة المضخم Amp1 هي دارة تقويم نصف موجة مع أخذ القسم الموجب من الإشارة. في حين أن دارة المضخم Amp2 تعمل كدارة عازل عاكس، وذلك عندما يكون الصمام الثنائي D2 منحازاً أمامياً فقط. لنحلل الدارة في الحالتين:
بمراكمة العملين السابقين نحصل على دارة تقويم موجة كاملة، بحيث يمر الجزء الموجب من إشارة الدخل عبر Amp1 إلى الخرج، في حين يعكس الجزء السالب من إشارة الدخل ثم يمر إلى الخرج عبر Amp2.
مثال: ارسم إشارة جهد الخرج للدارة التالية: |
||
|
|
|
|
|
إن إشارة الخرج ستأخذ الشكل: |
||
|
|
||
|
ملاحظة: من الناحية العددية، يقوم هذا المضخم بحساب القيمة المطلقة لجهد الدخل.
ملاحظة: قد يسأل سائل: لم استخدام المضخم العملياتي في دارات التقويم والقص، علماً أنه يمكن تشكيل هذه الدارات بواسطة الصمام الثنائيات ومنابع الجهد المستمر دون اللجوء إلى المضخمات العملياتية ؟
لنتذكر أنه عند استخدام دارات التقويم والقص العادية يهبط على كل صمام ثنائي منحاز أمامياً ما يقارب 0.6V، وقد لا يكون هبوط الجهد هذا كبيراً بالنسبة للإشارات ذات المطالات المتوسطة، إلا أنه يشكل عائقاً أمام التعامل مع جهود مطالاتها أخفض من 0.6V أصلاً، مما يعني أن الصمام الثنائي لن يتحسس لها نهائياً. أما عند استخدام دارات القص والتقويم الفعالة السابقة فستعمل هذه الدارات كدارات مثالية دون أن يحذف من الخرج أية جهود هابطة أي الصمام الثنائيات. |
||
التطبيق 12 – كاشف قمة (Peak detector)
|
يلحق جهد خرج هذه الدارات أكبر قيمة لجهد الدخل ويحافظ عليها فيخزنها في المكثف، إلى أن تأتي قيمة أكبر من القيمة المخزنة، عندئذ تخزن القيمة الجديدة في المكثف وهكذا.
يبين الشكل التالي دارة كاشف قمة: |
|
|
|
لا بد من وضع صمام ثنائي في هذه الدارة كما هو مبين، فهو يعمل مقوماً من جهة، وليمنع المكثف من التفريغ إذا انخفض جهد الدخل إلى قيمة أدنى من القيمة المخزنة في المكثف من جهة أخرى. يوضح المثال التالي عمل هذه الدارة، لنرسم إشارة خرج الدارة السابقة من أجل إشارة الدخل المبينة: |
||
|
إن إشارة الخرج – اعتماداً على الوظيفة المذكورة سابقاً – تأخذ الشكل جانبه: |
|
|
|
ملاحظة: الإشارة المنقطة هي إشارة الدخل. |
|
|
|
من الواضح أن هناك فرقاً بين إشارة الدخل وإشارة الخرج، وذلك بسبب هبوط قرابة 0.6V على الصمام الثنائي، ولحل هذه المشكلة نستخدم مقوماً مثالياً باستخدام المضخم العملياتي (المدروس سابقاً) بدلاً من الصمام الثنائي لتصبح الدارة بالشكل: |
||
|
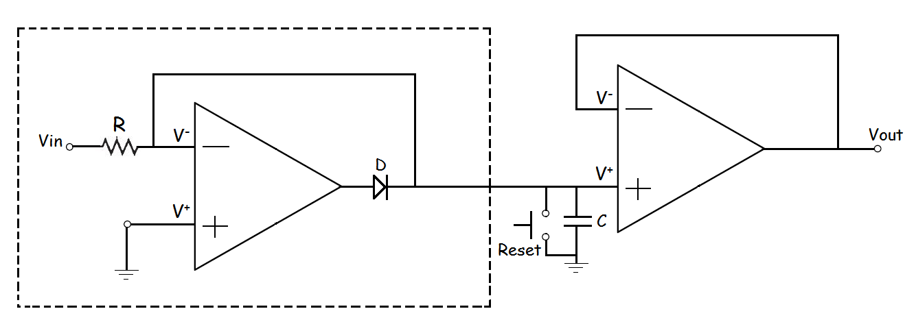
لقد حل الجزء المحاط بإطار مقطع محل الصمام الثنائي. |
|
|
|
يمكن إضافة قاطع لحظي مفتوح طبيعياً (NO) على التفرع مع المكثف، وعند ضغطه يفرغ المكثف ليحصل ما يسمى إعادة ضبط أو (reset). الآن إذا أدخلنا إشارة الدخل السابقة ذاتها على هذه الدارة سنحصل على الشكل: |
||
|
ملاحظة: الإشارة المنقطة هي إشارة الدخل. |
|
|
تأليف
المؤلف: محمد راشد القطيني (سوريا)
المراجع
-
الالكترونيات العملية للمبتكرين – الدكتور سليم إدريس – دار شعاع للنشر والعلوم.
الدارات الإلكترونية 1 – جامعة دمشق.
الدارات الإلكترونية 2 – جامعة دمشق.
صفحات الانترنت.


















































































التعليقات
أرجو مراجعة التطبيق 10 دارة قص إشارة
إذ يبدو أن هناك خطأ في الأمثلة الواردة لقص الإشارة عند +1فولت و أيضا عند +2 فولت للمثال الثاني
مع الشكر الجزيل لكم على ماتقدمونه من العلم و جعله الله سبحانه و تعالى في ميزان حسناتكم