{jumi [*3]}
تقديم
|
تستطيع هذه البطاقة من برمجة العديد من المتحكمات AVR وتجدنا قد أشرنا إليها في فقرة الأجزاء الرئيسية. أما بالنسبة للمتحكمات غير المذكورة هناك فنقول أننا جعلنا في هذه البطاقة موصلا باسم J1 أي (CON10) الذي يساعدك على تمديد هذه البطاقة لتشمل برمجة عدة أنواع أخرى من المتحكمات. ولمعرفة ما يمكن برمجته بها يمكنك زيارة الموقع التالي وستجد فيه كل ما يمكننا فعله بهذه البطاقة المتميزة: |
تذكير
|
البطاقة المبرمجة تختلف عن البطاقة البرمجية فيما يلي: البطاقة المبرمجة: نفترص أنك حصلت على ميكروكنترولر. كيف ستبرمجه؟ أو كيف ستدخل فيه برنامجا قمت بإنجازه؟ ستحتاج في هذه الحالة لبطاقة اليكترونية تصلها بالحاسوب لتقوم بتحويل البرنامج إلى الميكروكنترولر. هذه البطاقة تسمى بالبطاقة المبرمجة أو المبرمج. البطاقة البرمجية: هي امتداد للميكروكنترولر. بمعنى آخر أنها تسهل عليك التعامل مع الميكروكنترولر عندما تريد أن تركبه في جهاز ما. وتساعدك أيضا على برمجته. أي أنها تضم أيضا مهام البطاقة المبرمجة. |
أنواع المتحكمات القابلة للبرمجة بواسطة البطاقة
|
|
ملفات البطاقة
|
قم بتحميل الملفات الضرورية من أجل تنفيذ هذه البطاقة: |
الأجزاء الرئيسية
|
العربية |
الرمز في الدارة الكهربائية |
الكمية |
القيمة أو الصيغة |
|
مكثف Capacitor Condensateur |
C1 |
1 |
470 uF, 25V |
|
C2, C3 |
2 |
27 pF |
|
|
C4, C5, C6 |
3 |
100 nF |
|
|
C7, C8 |
2 |
47 uF, 16V |
|
|
صمام ضوئي |
D5 |
1 |
Red LED (Program) |
|
D6 |
1 |
Green LED (Power) |
|
|
صمام ثنائي |
D1, D2, D3, D4 |
4 |
1N4001 |
|
D7, D8, D9 |
3 |
1N4148 |
|
|
صمام زنير |
D10, D11, D12 |
3 |
Zener 5.1V |
|
موصل Connector Connecteur |
J1 |
1 |
CON10 (Ponyprog ISP) |
|
J2 |
1 |
Power Jack (12-15V) |
|
|
J3 |
1 |
2-pin Jumper (JUMP1) |
|
|
J4 |
1 |
3-pin Jumper (JUMP2) |
|
|
P1 |
1 |
Connector DB9 Female |
|
|
مقحل (ترنزستور) |
Q1, Q2 |
2 |
BC547 |
|
مقاومة |
R1, R4, R5 |
3 |
10 KOhm |
|
R2 |
1 |
1 KOhm |
|
|
R3 |
1 |
1.5 KOhm |
|
|
R6 |
1 |
15 KOhm |
|
|
R7, R8, R9 |
3 |
4.7 KOhm |
|
|
مقوم كهربائي |
U2 |
1 |
LM78LO5 |
|
مقبس Socket |
U1 |
1 |
DIP20 |
|
U3 |
1 |
DIP40 |
|
|
U4 |
1 |
DIP8 |
|
|
U5 |
1 |
DIP40 |
|
|
U6 |
1 |
DIP28 |
|
|
متذبذب كريستالي |
Y1 |
1 |
4 MHz |
الدارة الكهربائية
|
|
|
مهمة الجسر JUMP1 في البطاقة هو إيصال دارة المتذبذب الكريستالي بالمربط 8 (pin 8) للمتحكمات AVR أو لفكها عنه. تمتلك بعض المتحكمات AVR متذبذبا داخليا ولا ينبغي أن يكون لها متذبذبا كريستاليا خارجيا. قم بتفحص قائمة استعمال الجسر JUMP1 وورقة تفاصيل (datasheet) المتحكم الذي تريد برمجته لتعرف ما ستفعل. أما مهمة الجسر JUMP2 فتتمثل في تخويلنا برمجة عائلة المتحكمات AT89Sxxxx أو عائلة المتحكمات AVR's AT90Sxxxx & Atmegaxxx. |
لا بد من قراءته
|
من فضلك اضطلع على المقالات الثلاث التالية ولو بنظرة خاطفة إذ أنها مهمة في تحويل الدارات الكهربائية إلى بطاقات إلكترونية بمهنية عالية وبصنع يدك فقط:
|
التصميم
|
بالإعتماد على المقال الثاني في لا بد من قرائته يمكنك انجاز البطاقة الإليكترونية بسهولة. قم بتحميلها في ما ذكرناه في فقرة "ملفات البطاقة". |
|
|
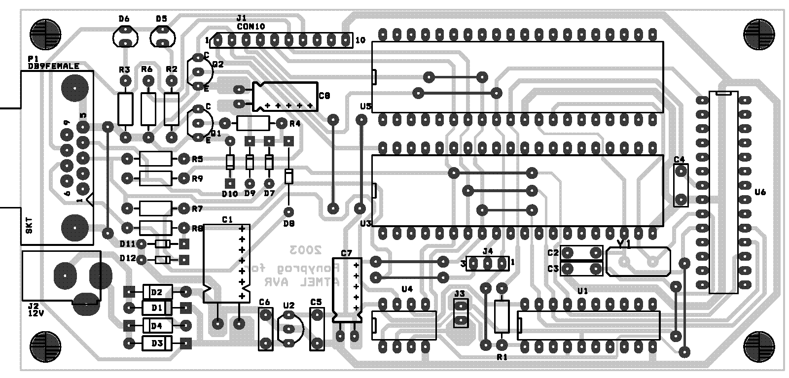
تموضع المركبات
|
استعن بالصورتين التاليتين من أجل وضع المركبات الإليكترونية بشكل صحيح في مواقعها على البطاقة. |
|
|
|
|
تركيب
|
استعن بمقالات ما ذكر في لا بد من صناعته لكي تنجز الدارة بكفاءة عالية: |
|
|
جدولي استعمال الجسرين
|
|
تأليف
تأليف: Kyriakos Kontakos
البريد الإليكتروني: عنوان البريد الإلكتروني هذا محمي من روبوتات السبام. يجب عليك تفعيل الجافاسكربت لرؤيته.
ترجمة بتصرف: محمد السهلي
{jumi [*3]}
{jumi [*3]}
{jumi [*3]}
المراجع








التعليقات