المواصفات
| نوع التعديل Modulation type |
تعديل ترددي FM |
| التردد Frequency range |
88 – 108 MHz |
| الجهد الكهربائي Working voltage |
بين 12 و 18 فولط تيار مستمر |
| التيار القصوي Maximum current |
450 mA |
| القدرة القصوية Output power |
4 W |
الـتعديل الترددي (FM)
|
التعديل الترددي هو التعديل الذي يعتمد على تغّير تردد الحامل بتغير مطال الاشارة المرسلة.
تريد ان تعرف أكثر؟ اقرأ المزيد على ويكيبيديا |
|
لا بد من قراءته
| من فضلك اضطلع على المقالات الثلاث التالية ولو بنظرة خاطفة إذ أنها مهمة في تحويل الدارات الكهربائية إلى بطاقات إلكترونية بمهنية عالية وبصنع يدك فقط:
|
النسخة الأولى
الأجزاء الرئيسية
|
العربية |
الكمية |
الرمز في الدارة الكهربائية |
القيمة أو الصيغة |
|
مقاومة Resistor Resistance |
1 |
R1 |
220 KOhm |
|
1 |
R2 |
4.7 KOhm |
|
|
2 |
R3, R4 |
10 KOhm |
|
|
1 |
R5 |
82 Ohm |
|
|
1 |
*R |
150 Ohm (0.5 Watt) |
|
|
مقاومة |
1 |
VR1 |
22 KOhm |
|
مكثف Capacitor Condensateur |
2 |
C1, C2 |
4.7uF, 25V, electrolytic |
|
2 |
C3, C13 |
4.7nF, ceramic |
|
|
2 |
C4, C14 |
1nF, ceramic |
|
|
2 |
C5, C6 |
470pF, ceramic |
|
|
1 |
C7 |
11pF, ceramic |
|
|
1 |
C8 |
3–10pF, trimmer |
|
|
2 |
C9, C12 |
7–35pF, trimmer |
|
|
2 |
C10, C11 |
10–60pF, trimmer |
|
|
1 |
C15 |
4–20pF, trimmer |
|
|
1 |
*C16 |
22nF, ceramic |
|
|
ملف Coil Bobine |
1 |
L1 |
|
|
1 |
L2 |
||
|
1 |
L3 |
||
|
1 |
L4 |
||
|
1 |
L5 |
||
|
وشيعة التردد العالي |
3 |
RFC1, RFC2, RFC3 |
VK200, RFC tsok |
|
ترانزستور Transistor |
1 |
TR1, TR2 |
2N2219, NPN |
|
1 |
TR3 |
2N3553, NPN |
|
|
1 |
TR4 |
BC547/BC548, NPN |
|
|
صمام ثنائي |
1 |
*D1 |
1N4148 |
|
ميكروفون |
1 |
MIC |
crystalic microphone |
|
|
|||
الدارة الكهربائية
|
|
|
عند توليد اشارة صوتية -عن طريق المايكروفون – سيؤدي ذلك الى تغير في تردد الموجة (الاشارة) الحاملة فبزيادة المطال سيزداد التردد والعكس بالعكس. تمر الإشارة في هذه الدارة بأربع مراحل ثلاث منها للحصول على تردد عالي للإرسال (إشارة الحامل) والرابعة لتكبير الإشارة المرسلة من المايكروفون.
بعض التفاصيل:
دلالات الرموز: إن الأرقام الموضوعة على الشكل هي للدلالة على وصلات التغذية:
|
التصميم وتموضع المركبات
|
هذا هو تصميم النسخة الأولى لكن ننصح بالإعتماد على تصميم النسخة التانية الذي تجده في ما يلي. |
|
|
تعديل وضبط
|
في حال كنت تريد ارسال بخرج قصوي (استطاعة قصوية) إذا يتوجب عليك إعادة ترتيب جميع مراحل RF لكي تحصل على أفضل نقل للطاقة بين هذه المراحل. هناك طريقتين لفعل ذلك:
|
نصيحة
|
في جميع دارات الارسال يوجد جزء من إشارة الخرج (تردد الخرج) متعدد التوافقيات ويكون ذو مدى قصير جداً. للتأكد أنك لا ترسل على إحدى هذه التوافقيات اجعل استقبالك على ابعد مدى ممكن او بعبارة أخرى ضع المذياع الذي تريد ان تسمع منه بثك ابعد ما يمكن. كذلك يمكنك استخدام محلل الطيف لمعرفة التوافقيات التي ترسل عليها وبالتالي تتجنب هذه التوافقيات آنفة الذكر. |
النسخة الثانية (تطوير)
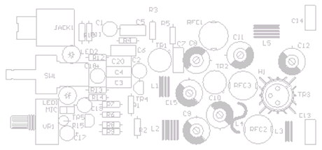
التصميم وتموضع المركبات
|
بالإعتماد على المقال الثاني في لا بد من قرائته يمكنك انجاز البطاقة الإليكترونية بسهولة. قم بتحميل التصميم أولا:
استعن بالصورة الثانية من أجل وضع المركبات الإليكترونية بشكل صحيح في مواقعها على البطاقة. |
|
|
|
المركبات الإلكترونية المضافة
|
العربية |
الكمية |
الرمز في الدارة الكهربائية |
القيمة أو الصيغة |
|
مقاومة Resistor Resistance |
1 |
R6 |
1.8 MOhm |
|
1 |
R7 |
1.5 KOhm |
|
|
1 |
R8 |
560 KOhm |
|
|
1 |
R9 |
820 Ohm |
|
|
2 |
R10, R11 |
4.7 KOhm |
|
|
2 |
R12, R13 |
1 KOhm |
|
|
1 |
R14 |
2.2 KOhm |
|
|
1 |
R15 |
680 Ohm |
|
|
مقاومة متغيرة |
1 |
VR1 |
50 KOhm |
|
مكثف Capacitor Condensateur |
1 |
C17 |
1uF |
|
2 |
C18, C19 |
4.7 uF |
|
|
1 |
C20 |
100 nF |
|
|
H1 |
13×13×10 mm |
||
|
ترانزستور |
1 |
TR5 |
BC547\BC548 |
|
مقبس |
1 |
JACK1 |
Stereo |
|
ميكروفون |
1 |
MIC |
Capacitic |
|
صمام ضوئي |
1 |
LED2 |
أحمر |
تركيب
|
عندما تريد تلحيم المركبات الإليكترونية ابدأ بالمركبات الصغيرة جدا هي الأولى ثم الأكبر فالأكبر. مثلا ابدأ بالصمامات الضوئية (LED) ثم المقاومات ثم المعدل الكهربائي فالقنطرة، إلخ. بعد أن قمت بتلحيم المركبات الصغيرة يمكنك حينها المرور إلى تثبيت المركبات الإلكترونية الأكبر منها وهكذا. |
|
تأليف
المؤلف: www.smartkit.gr
المطور: طوماس (Thomas)
البريد الإلكتروني: عنوان البريد الإلكتروني هذا محمي من روبوتات السبام. يجب عليك تفعيل الجافاسكربت لرؤيته.
ترجمة بتصرف: أيهم عبد الرحمن حمود (دمشق – سوريا)
البريد الالكتروني للمترجم: عنوان البريد الإلكتروني هذا محمي من روبوتات السبام. يجب عليك تفعيل الجافاسكربت لرؤيته.
المراجع
http://www.electronics-lab.com/projects/rf/001/index.html
http://www.electronics-lab.com/projects/rf/001/fm3.gif
http://www.electronics-lab.com/projects/rf/001/fm4.gif
http://www.geocities.com/tomzi.geo/4w_fm/4W_transmitter.htm







التعليقات
dmohy.arabblogs.com/archive/2009/2/815386.htmlاقتبس محمد صفوت نيازي: