تقديم
|
هذا المقال يصف لك كيفية حساب هذه القيمة بالنسبة للمتحكم 12F675 كمثال. |
الأجزاء الرئيسية
|
العربية |
الرمز في الدارة الكهربائية |
الكمية |
القيمة أو الصيغة |
|
مكثف |
R1 |
1 |
300 Ohm |
|
R2 |
1 |
1 KOhm |
|
|
R3 |
1 |
10 KOhm |
|
|
مقاومة متغيرة |
P1 |
1 |
10 KOhm |
|
مقاومة |
C1, C2 |
2 |
15 pF |
|
C3 |
1 |
10 uF |
|
|
صمام ضوئي |
Led1 |
1 |
أخضر 3 ملم |
|
شاشة رقمية |
LCD |
1 |
8×2 |
|
متذبذب كريستالي |
XTAL |
1 |
8 MHz |
|
متحكم |
IC1 |
1 |
16F88 |
|
مقبس المتحكم |
1 |
8 Pin |
|
|
زر ضغطي |
S1 |
1 |
|
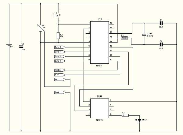
الدارة الكهربائية
|
|
|
سيتم تحويل الشيفرة إلى الميكروكنترولور 12F675 الذي قيمته الأوسكال غير معروفة. ستقوم هذه الشيفرة بتوليد نبضة على GPIO.4 وستقوم بتكرار العمل بينما تزداد قيمة الأوسكال داخليا.
سيرسل GPIO.5 قيمة الأوسكال الحالية المستعملة في كل نبضة مرسلة. وحيث أن الميكروكنترولور ليس له أي قيمة أوسكالية، ستكون حينها النبضة متغيرة. ستبقى الدارة الكهربائية في حالة انتظار إلى أن تيتقبل القيمة الأوسكالية الصحيحة. وعندما يتم الحصول على هذه الأخيرة، ستتوقف الشيفرة عن التكرار وامتحان القيم وسيتم إظهار قيمة الأوسكال المستعملة على الشاشة عن قياس النبضة الصحيحة.
ستكتب قيمة الأوسكال على الشاشة باستعمال النظام الستعشري وهو الأمر الذي يساعدك على حفظها مباشرة في ذاكرة الميكروكنترولور دون القيام باي عملية تحويل. |
لا بد من قراءته
|
من فضلك اضطلع على المقالات الثلاث التالية ولو بنظرة خاطفة إذ أنها مهمة في تحويل الدارات الكهربائية إلى بطاقات إلكترونية بمهنية عالية وبصنع يدك فقط:
|
التصميم وتموضع المركبات
|
بالإعتماد على المقال الثاني في لا بد من قرائته يمكنك انجاز البطاقة الإليكترونية بسهولة. قم بتحميلها من خلال الضغط على الرابط التالي: يجب أن تطبعها على ورق كما هو موصوف في المقال الثاني في لا بد من قراءته. ولا تنسى قبل أن تطبعها بأن تتثبت من طول وعرض هذه البطاقة الذين هما: 42.96×55.53 ملم |
||
|
|
|
|
البرمجة
|
يجب أن تقوم ببرمجة الميكروكنترولورات 16F88 بالشيفرة التالية قبل أن تقوم بتلحيمه على البطاقة: يجب أن تقوم ببرمجة المركب 12F675 بالشيفرة التالية: |
اختبار البطاقة
|
عند تغيلك للبطاقة سيظهر على الشاشة اسم المشروع وهو الاسم الذي تراه في الصورة جانبه بالضبط.
في هذه الحالة يمكنك وضع المركب 12F675 في مقبسه ثم اضغط على الزر الكهربائي. |
|
|
ضغطك على الزر S1 سيدفع البطاقة للبدء بقياس الإشارة وحساب النبضات. سيظهر لك على الشاشة حساب قيمة الأوسكال الحالية. |
|
|
عندما يتجاوب المركب 12F675 مع ما يتم حسابه سيتوقف البرنامج عن العمل ويظهر لك قيمة الأوسكال الموجودة. |
|
|
في هذه النقطة يمكنك سحب المركب 12F675 وزرع واحد آخر. واضغط على الزر S1 لمعاودة التجربة |
|
تأليف
تأليف: Rui Cabral
البريد الإليكتروني: rui.j.cabral@googlemail.com (استبدل googlemailبـ gmail)
الموقع الإليكتروني: http://www.ruijc.webnode.com
ترجمة بتصرف: محمد السهلي
{jumi [*3]}
{jumi [*3]}
{jumi [*3]}
المراجع
http://www.electronics-lab.com/projects/mcu/017/index.html







