تقديم
|
لإنجاز هذا المشروع يجب أن تنجز اللوحات الإليكترونية التالية بنجاح:
l المشفر: العقل الإليكتروني للجهاز l القاعدة: اللوحة الأم للجهاز l اللوحات الملحقة l لوحة المفاتيح l لوحة القنوات l لوحة المبدلات
بعدما تكلمنا في المقال السابق عن صنع بطاقة المشفر والتي هي الأصعب في هذا المشروع، سنتطرق اليوم إلى تبيان صنع اللوحة الأم للجهاز، وهي أقل صعوبة من لوحة المشفر.
|
|
لابد من قراءته
لا تبدأ من هذا المقال مباشرة إذ لم تكن قد اضطلعت على جزيئه الأول والثاني:
صناعة الأجهزة – جهاز التحكم عن بعد (الجزء 1)
صناعة الأجهزة – جهاز التحكم عن بعد (الجزء 2)
المقال الأول يحفزك لإنجاز والمتاجرة بهذا الجهاز كبداية.
أما المقال الثاني فيصف إنجاز أصعب لوحة إليكترونية فيه.
كما أنك ستحتاج لرسم الشرائح الإليكترونية بإتقان. لهذا يجب عليك أن تضطلع على المقالين:
ويجب أن تكون بارعا في استخدام الكاوية أيضا من أجل عملية التلحيم.
لهذا أنصحك أن تجحظ عينيك جيدا في مهارات التلحيم في المقالين التاليين:
انتبه جيدا عند مزاولة عملية التلحيم، فإن أي خطأ قد يضرب عملك في الصفر. لهذا، تتبع ما أصفه لك بكل حذافيره أرجوك!
تصاميم الشرائح الإليكترونية
بالنسبة لجميع تصاميم الشرائح الإليكترونية تجدها في المقال الذي يتحدث عن الجزء الثاني لهذا المشروع.
يقال بأن الترجمة ليست بريئة، وبالتالي قد يكون وقع بعض الأخطاء لاسيما في نقل أسماء المركبات الإليكترونية المختلفة لكل اللوحات التي تحدها موصوفة في هذا الجزء من المشروع. لذا أنصحك أن تقوم بتحميل الملف المضغوط التالي الذي يحتوي على صور الدارات الكهربائية وأسماء المركبات الإليكترونية المستعملة لصنعها كما كتبت من طرف المؤلف الأصلي:
القاعدة "اللوحة الأم للجهاز"
الأجزاء الرئيسية
|
العربية الإنجليزية الفرنسية |
الرمز في الدارة الكهربائية |
الكمية |
القيمة أو الصيغة |
|
المعدل الكهربائي Regulator Régulateur |
7805 |
1 |
7805 Regulator |
|
الصمام زنير Zener Diode Diode Zener |
Z9.1 |
1 |
9.1V Zener |
|
الترنزستور Transistor |
SUD45P |
1 |
Mosfet P SUD45P03-15A |
|
549 |
2 |
BC549C SOT23 |
|
|
المقاومة Resistor Résistance |
R1 |
1 |
220 W 1/4W |
|
R2 |
1 |
15 kW 1/4W |
|
|
R3 |
1 |
4.7 kW 1206 |
|
|
R4,R11,R18 |
3 |
100 kW 805 |
|
|
R5,R6 |
2 |
100 kW 1206 |
|
|
R7 |
1 |
10 W 805 |
|
|
R8 |
1 |
10 kW 805 |
|
|
R9 |
1 |
6.8 kW 805 |
|
|
R10 |
1 |
220 kW 805 |
|
|
R12, R13, R14, R15, R16, R17 |
6 |
15 kW 805 |
|
|
مقاومة متغيرة Potentiometer Potentiometer |
Paj |
1 |
Pot aj 10 kW |
|
المكثف Capacitor Condensateur |
C1, C2, C3, C26 |
4 |
0.1 µF mc/5 |
|
C4, C5, C6, C7, C8, C9, C10, C11, C12, C13, C14, C15, C16, C17 |
14 |
22 nF 805 |
|
|
C18, C19, C20, C21, C22, C23 |
6 |
0.1 µF 805 |
|
|
C24, C25 |
2 |
2.2µF 16V Size A |
|
|
دبابيس صغيرة pins douilles miniatures |
|
36 |
type B/par 100 |
|
رأس عارضة أنثى Female Pin Header Barrette femelle |
|
1 |
عارضة أنثى من صنفAMPMODU ذات 24 سنا + رأسين بـ 5 سنا أو عارضتين ذواتا 12 سنا ( F: 341-9137) + واحدة مكونة من 2x5 سنا ( F: 341-9216)
AMPMODU Female Header 24 pins + 2 x 5 pins or two 12 pins female headers + 2x5 pin header
Barrette femelle AMPMODU 24 pts+2 fois 5 pts soit deux de 12 points ( F : 341-9137 ) et une de 2 x 5 pts ( F : 341-9216 ) |
|
|
2 |
عارضة أنثى بمسافة 2 ميليمتر (F : 672-350) Female Pin Header, 2 mm (F : 672-350) barrettes femelles pas de 2 mm(F : 672-350) |
|
|
رأس عارضة ذكر Male Pin Header Barrette mâle |
CONN5, CONN6 |
2 |
عارضة ذكر، 2 ميليمتر (F: 672-180) Male header, 2 mm (F: 672-180) barrettes mâle coudée pas de 2 mm (F: 672-180) |
|
موصل ذكر Male connector Connecteur mâle |
CONN7, CONN8, CONN9 |
3 |
مصفوفة 4x2 (المسافة بين الأسنان هي1.27). (F: 673-237) Header of 2x4 matrix, step 1.27 (F:673-237) Matrice 2x4, pas de 1.27 (F:673-237) |
|
كابلات مجمعة Assembled cables Câbles assemblés |
|
2 |
كابلات مجمعة مكونة من 8 أسلاك طولها 25 سنتمتر (F:303-2255) Assembled cables F/F 8 wires, L=25 cm (F: 303-2255) Câbles assemblés F/F 8 fils, L=25 cm (F: 303-2255) |
|
موصل أنثى Female connector Connecteur femelle |
يجب أن تركب في نهاية الكابل التالي |
1 |
رأس الموصل عبارة عن مصفوفة 2x7 Header of 2 x 7 matrix Matrice 2x7 |
|
كابل عريض Flat cable câble plat |
CABLE PLAT CONN1 |
1 |
يتكون من 14 سلكا وطوله حوالي 15 سنتمتر |
الدارة الكهربائية العامة
|
|
|
إليك الآن شرح بعض الأجزاء الرئسية لهذه البطاقة حتى يسهل عليك استخدامها فيما بعد. |
|
رمز المركب |
دوره |
|
CONN1 |
يؤمن نقل الإشارات الضرورية بين اللوحة الأم والمشفر. رموز هذه الإشارات هي: D و CI و En: خاصة بتحليل الترددات. Mod: ترمز لـ Modulation (بالعربية التضمين). Var: من أجل مراقبة توتر varicap. Buz: ترمز لـ buzzer. |
|
CONN2 |
لا يتواجد هذا الموصل على اللوحة الأم، بل ستجده على لوحة المشفر. وبه توصل شاشة الجهاز التي تساعدك على إظهار الأوامر والإشارات عند استعمالك لجهاز التحكم عن بعد. |
|
CONN3 |
يتم إيصال المشفر باللوحة الأم عن طريق هذا الموصل والموصل CONN4 معا. |
|
CONN4 |
انظر إلى دور CONN3. |
|
CONN5 |
يؤمن هذا الموصل والموصل CONN6 الارتباط بين المشفر ولوحة المبدلات. |
|
CONN6 |
انظر إلى دور CONN1. |
|
CONN7 |
يتم إيصال اللوحة الأم بلوحة المبدلات عن طريق هذا الموصل. |
|
CONN8 |
يتم إيصال اللوحة الأم بلوحة المبدلات عن طريق هذا الموصل أيضا. |
|
7805 |
يقوم هذا المعدل الكهربائي بمشاركة الصمام الثنائي زنيرZ9.1بتوفير التيار الكهربائي المناسب للمشفر LM358. |
|
HF1 و HF2 |
هاتين المنطقتين مخصصتين لتسيير اللوحات الملحقة باللوحة الأم (سنتكلم عنها في باقي المقال) |
تموضع المركبات
|
بالنسبة للعناصر الإليكترونية المكونة لهذه البطاقة فهي قليلة وسهلة التركيب كذلك. يمثل الشكل التالي وجة الصورة العلوي للوحة الأم: |
|
|
|
لو أمعنت النظر مليا في الوجه العلوي للبطاقت للاحظت أن بها مكانين لبطاقتين أخريين ملحقتين بها وهما: HF1 وHF2. سنتحدث عنهما في باقي المقال. أما الصورة التالية فهي تمثل الوجه الخلفي للبطاقة: |
|
|
تركيب
|
عند انتهائك من إنجاز الشريحة الإليكترونية وبالاعتماد على صور تموضع المركبات الإليكترونية، ستتمكن حينها من إنجاز البطاقة التالية. لكن سيبقى بعض الأشياء الضرورية التي يجب أن تضيفها للبطاقة. |
|
|
|
قم أولا بجلب كابل عريض يتكون من 14 سلكا (تجد مثله داخل الحواسيب بكثرة). طوله حوالي 8 سنتيمترات وانتبه إلى أن أحد أطرافه ملون بالأحمر. يمكنك الإعتماد على الصورة السابقة واللاحقة من أجل تثبيته بسهولة. سيكون دليلك في تثبيته هو الطرف الملون بالأحمر لكيلا تعكس الأسلاك عن إدخاله في الثقب وسط البطاقة. انتبه أيضا إلى أنه يجب إيصال الموصل CONN9 بكابل آخر عريض يتكون من 8 أسلاك. قم بإيصاله حسب ما تراه في الصورة أعلاه. |
|
|
|
بهذا نكن قد انتهينا من تجهيز اللوحة الأم للجهاز. الصورة التالية لنفس اللوحة لكن بشكل أجمل. |
|
|
اللوحات الملحقة
إرسال الترددات
سيستطيع الجهاز إرسال الترددات عبر الهوائية (antenne, antenna) إذا كانت هذه الأخيرة متصلة بلوحة اليكترونية مخصصة للتعامل مع الترددات وتحويلها إلى الهوائية. هذه اللوحات هي التي نتطرق إليها في هذا المقطع من المقال. سنسمي هذه اللوحات الإليكترونية باللوحات الملحقة خلال تفصيلنا لهذا المشروع.
توجد لوحتين ملحقتين أساسيتين:
1. اللوحة الملحقة HF11-A: يمكنك ضبط تردد جهاز التحكم عن بعد باستعمال هذه اللوحة على ثلاث أنماط: 35MHz أو 41MHz أو 72MHz. وسنرى كيف يكون ذلك عند تطرقنا للأجزاء الرئيسية لهذه اللوحة.
2. اللوحة الملحقة HF11-B: تتكون هي أيضا من لوحتين HF1 و HF2
يمكنك استعمال أياً منهما مع اللوحة الأم. يمكنك الرجوع إلى "تموضع المركبات” للوحة الأم وستجد بأن مكان اللوحتين HF1 و HF2 مرسوم فيها. يمكنك أن تستبدلهما باللوحة HF11-A أيضا.
لكن، قد يتبادر إلى ذهنك عن جدوى إضافة اللوحات الملحقة إلى اللوحة الأم. نعم، ولهذا وجب التكلم عن ما يسمى "التردد المضاعف”. ويمكنك أن تضع في ذهنك أن اللوحة الملحقة هي الواسطة بين اللوحة الأم للجهاز والهوائية.
سأقوم بشرح كل لوحة ملحقة على حدة، وأنصح باستعمال اللوحتين HF1 و HF2 عوض HF11-A.
ليس من السهل ضبط معايير اللوحة HF11-A كما أن الكاتب الأصلي لم يقم بتسهيل شرحها لهذا أنصح بعدم استعمالها رغم أني سأنقلها للأمانة العلمية.
التردد المضاعف
الهدف وراء إلحاق اللوحات HF11-A و HF1 و HF2 (أو واحدة منهما فقط) باللوحة الأم للجهاز هو إمكانية استخدام خاصية التحكم بما يسمى "التردد المضاعف” (أي La double fréquence, the double frequency).
فمثلا، إذا كنت لا تريد إضافة خاصية التحكم بالتردد المضاعف يمكنك حينها الإعتماد على اللوحة الملحقة HF1 فقط.
أما إذا كنت تريد إضافة هذه الخاصية ففي هذه الحالة يجب عليك إضافة اللوحة الملحقة HF2 أيضا.
الأجزاء الرئيسية للوحة HF11-A
المركبات الثابثة
|
العربية إنجليزية فرنسية |
الرمز في الدارة الكهربائية |
الكمية |
القيمة أو الصيغة |
|
الترنزستور Transistor |
T1 |
1 |
MMBFJ310- SMD |
|
T2, T3 |
2 |
TRSO4416-SMD |
|
|
T4 |
1 |
MMBT2369-SMD |
|
|
T5 |
1 |
2N3866 |
|
|
الصمام الثنائي Diode |
D1, D2 |
2 |
BBY31-SMD |
|
D3 |
1 |
BAV99-SMD |
|
|
المعدل الكهربائي Regulator Régulateur |
Reg |
1 |
78L06 TO92 |
|
المقاومة Resistor Résistance |
R1 |
1 |
22 kΩ 805 |
|
R2, D3 |
2 |
56 kΩ 805 |
|
|
R4 |
1 |
100 kΩ 805 |
|
|
R5 |
1 |
68 Ω 805 |
|
|
R6, D12 |
2 |
47 Ω 1206 |
|
|
R7 |
1 |
510 Ω 805 |
|
|
R8 |
1 |
150 kΩ 805 |
|
|
R9 |
1 |
82 Ω 805 |
|
|
R10 |
1 |
2.7 kΩ 805 |
|
|
R11 |
1 |
47 Ω 805 |
|
|
R13 |
1 |
1 kΩ 1206 |
|
|
مقاومة متغيرة Potentiometer |
P1 |
1 |
type 3329H 1 kW ( F : 935-4077) |
|
P2 |
1 |
type 3329H 500 W ( F : 935-4174 ) |
|
|
المكثف Capacitor Condensateur |
C1 |
1 |
1 pF 805 |
|
C10, C11, C21 |
3 |
0.1 μF 805 |
|
|
C4, C6, C8 |
3 |
0.1 μF 1206 |
|
|
C14, C22, C23 |
3 |
0.1 μF 1206 |
|
|
C24 |
1 |
22 μF/16V/Ch / CMS |
|
|
C25 |
1 |
100 pF 1206 |
|
|
|
|
1 |
barrette picots M/M ( F : 102-2218 ) |
|
دبابيس pins douilles miniatures |
|
2 |
ليست ضرورية |
|
مبرد حراري Heat sink Radiateur (Dissipateur) |
|
1 |
مبرد حراري لـ TO5 CO331 ( SEL : 5037-17 ) |
|
مقاومة ملفوفة Wirewound
|
|
1 |
VK200 2 spires ½ ( E.D ) |
|
الوشيعة(المستحث) Inductor (coil) bobine |
L1, L2, L3, L4, L5 |
5 |
5 وشيعات حسب التردد |
المركبات المتغيرة
يمكنك ضبط التردد الذي تريده للجهاز عن طريق اختيار القيم المناسبة له كما يلي:
|
الرمز |
الحجم |
التردد |
||
|
35MHz |
41MHz |
72MHz |
||
|
C0 |
805 |
15 pF |
12 pF |
6.8 pF |
|
C2 |
805 |
22 pF |
22 pF |
10 pF |
|
C3 |
805 |
22 pF |
22 pF |
10 pF |
|
C5 * |
805 |
33 pF |
27 pF |
18 pF |
|
C7 |
805 |
22 pF |
18 pF |
10 pF |
|
C9 |
805 |
33 pF |
27 pF |
10 pF |
|
C12 |
805 |
47 pF |
47 pF |
18 pF |
|
C13 |
1206 |
47 pF |
27 pF |
27 pF |
|
C15 |
يمكنك الإستغناء عنه |
|||
|
C16 |
1206 |
27 pF |
22 pF |
18 pF |
|
C17 |
1206 |
27 pF |
18 pF |
3.9 pF |
|
C18 |
1206 |
27 pF |
18 pF |
6.8 pF |
|
C19 |
يمكن وضع سلك كهربائي صغير مكانه |
|||
|
C20 |
يمكنك الإستغناء عنه |
|||
الدارة الكهربائية العامة للوحة HF11-A
|
|
|
يتم تزويدها بالتيار الكهربائي مباشرة من اللوحة الأم. |
تموضع المركبات على اللوحة HF11-A
|
|
|
أهمية بعض ثقوب اللوحة HF11-A: l الثقب Ant: عند تركيبك لهذه اللوحة على اللوحة الأم للجهاز، يجب أن تصل هذا الثقب بالهوائية (Antenna, Antenne). إيصالهما يتم مباشرة بواسطة أي سلك كهربائي. l الثقب +V: تشتغل هذه اللوحة بتيار كهربائي جهده 10 فولط. تزود بهذا التيار من خلال هذا الثقب حيث يتم إيصاله باللوحة الأم عن طريق أي سلك كهربائي. l الثقب PLL: يجب إيصال هذا الثقب بمخرج المعدل الكهربائي 78L06 بأي سلك كهربائي كان. l ضبط معايير اللوحة HF11-A: l للمقاومتين المتغيرتين P1 و P2 زرا متحركا. اجعل زر P1 في المستوى 0 وزر P2 في المنتصف. l قم بتركيب مصباح صغير يشتغل بـ 12V/0.1A بين Ant والأرضية (ground, masse). هذا المصباح سيساعدنا على ضبط مستويات الوشيعات L1 و L2 و L3. l قم بتعديل مستويات الوشيعات L1 و L2 و L3 حتى ينضبط المصباح على 80mA. l قم بقياس التردد بين HF والأرضية (ground, masse) باستخدم مقياس الترددات (fréquencemètre , frequencemeter). l قم بضبط الوشعية L1 بنفس قيمة التردد المحصول عليه. l قد يتطلب منك أن تقوم بتعديل L2 و L3 و L4 إذا لزم الأمر. l في النهاية، عند ضبط المقاومة المتغبرة P2 على القيمة 80mA أو 90mA، من المفتؤض أن تحصل على سطوع ناصح للمصباح الصغير. |
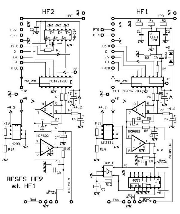
الأجزاء الرئيسية للوحة HF1
|
العربية إنجليزية فرنسية |
الرمز في الدارة الكهربائية |
الكمية |
القيمة أو الصيغة |
|
محلل الترددات Frequency synthesizer |
MC145170D |
1 |
MC145170D2 (ED : MC145170D2-SMD) |
|
المعدل الكهربائي Regulator Régulateur |
LM2931 |
1 |
LM2931CD |
|
محول IC IC Inventer |
NC7S14 |
1 |
NC7S14M5 |
|
مداول تناظري Analog Multiplexers/Demultiplexers Multiplexeur Analog |
4053 |
1 |
MC14053BD |
|
مضخم عملياتي ثنائي Dual Operational Amplifier Amplificateur Opérationnel Dual |
MCP602 |
1 |
MCP602-6/SN |
|
صمام ثنائي Small Signal Diode |
BAV99 |
1 |
BAV99 |
|
متذبذب كريستالي crystal oscillator quartz |
CFPT-120 |
1 |
CFPT-120 (12.8 MHz ) |
|
المقاومة Resistor Résistance |
R1 |
1 |
1.2 kW 805 |
|
R2 |
1 |
1.5 kW 805 |
|
|
R3 |
1 |
15 kW 805 |
|
|
R4 |
1 |
4.7 MW 805 |
|
|
R5, R6 |
2 |
47 kW 805 |
|
|
R7, R8 |
2 |
10 kW 805 |
|
|
R9 |
1 |
1 kW 805 |
|
|
R10 |
1 |
6.8 kW 805 |
|
|
R11 |
1 |
12 kW 805 |
|
|
R12 |
1 |
1 MW 805 |
|
|
R13 |
1 |
11 kW 805 |
|
|
R14 |
1 |
27 kW 805 |
|
|
مقاومة متغيرة Potentiometer |
Pf |
1 |
pot. Aj 5 kW |
|
المكثف Capacitor Condensateur |
C1/2 |
2 |
0.1 µF 805 |
|
C3 |
1 |
270 pF 805 |
|
|
C4 |
1 |
22 µF tant/CMS Size B |
|
|
C5/6/7/9 |
3 |
10 µF tant/CMS Size B |
|
|
C8 |
1 |
22 nF 805 |
|
|
دبابيس صغيرة pins douilles miniatures |
|
11 |
type B/par 100 (F: 519-959 ) |
|
|
|
1 |
barrette picots doubles(F : 102-2218 ) |
الأجزاء الرئيسية للوحة HF2
|
العربية إنجليزية فرنسية |
الرمز في الدارة الكهربائية |
الكمية |
القيمة أو الصيغة |
|
محلل الترددات Frequency synthesizer |
MC145170D |
1 |
MC145170D2 (ED : MC145170D2-SMD) |
|
المعدل الكهربائي Regulator Régulateur |
LM2931 |
1 |
LM2931CD |
|
محول ستعشري Hex inverter |
74HC14 |
1 |
MM74HC14M |
|
مضخم عملياتي ثنائي Dual Operational Amplifier Amplificateur Opérationnel Dual |
MCP602 |
1 |
MCP602-I/SN (F : 975-8666 ) |
|
المقاومة Resistor Résistance |
R1 |
1 |
68 kW 805 |
|
R5, R6 |
2 |
47 kW 805 |
|
|
R7, R8 |
2 |
10 kW 805 |
|
|
R9 |
1 |
1 kW 805 |
|
|
R10 |
1 |
6.8 kW 805 |
|
|
R11 |
1 |
12 kW 805 |
|
|
R13 |
1 |
11 kW 805 |
|
|
R14 |
1 |
27 kW 805 |
|
|
المكثف Capacitor Condensateur |
C1 |
1 |
22 nF 805 |
|
C2 |
1 |
0.1 µF 805 |
|
|
C4 |
1 |
22 µF tant/CMS Size B |
|
|
C5, C6, C7 |
3 |
10 µF tant/CMS Size B |
|
|
C8 |
1 |
22 nF 805 |
|
|
دبابيس صغيرة pins douilles miniatures |
|
11 |
type B/par 100 (F: 519-959 ) |
|
|
|
1 |
barrette picots doubles (F : 102-2218 ) |
الدارة الكهربائية العامة للوحتين HF1 و HF2
|
|
|
يتم تزويد كلا اللوحتين بالتيار الكهربائي مباشرة من اللوحة الأم. |
تموضع المركبات على اللوحتين HF1 و HF2
|
صنع هاتين اللوحتين بسيط جدا. من الأحسن ومن المنطقي أن تبدأ بإنجاز اللوحة الملحقة HF1 لأنها هي الأصل ويمكنك استعمالها لوحدها فقط. بعدها قم بتثبيت جميع المركبات الإليكترونية الخاصة باللوحة الملحقة HF2. عند تثبتك لمختلف المركبات الإليكترونية على كلتا اللوحتين انتبه لقطبية المكثفات C4 و C5 و C6 و C7. أعني أنها تركب في اتجاه واحد وليس في أي اتجاه. |
|
|
|
من الأفضل أن تبدأ بتثبيت المركبات المعقدة أولا. بالنسبة للمركب CFPT120، قم بتلحيم أربعة من أقطابه فقط وهي: +V وVadj و GND و OUT. ثم اقلب وجهي اللوحتين وقم بتثبيت ما ترى في الصوتين التاليتين: |
|
|
|
قم بتثبيت باقي المركبات الإليكترونية. |
برمجة اللوحتين HF1 و HF2
كلا اللوحتين مزود بالمركب الإليكتروني MC145170. ونريد برمجتهما بما يتناسب مع مهامهما.
تتم برمجة هذا المركب باستخدام النمط "SPI” والخطوط "clock” و "data” و "enable” القادمة من الميكروكنترولور موطورولا (المتواجد بلوحة المشفر).
l يتم برمجة اللوحة الملحقة HF1 حتى يتعامل الجهاز مع الترددات المرسلة "بالشكل الطبيعي". تتم هذه البرمجة بتنشيط الخطين "clock” و "data” ووضع الخط "enable” في الحالة 0.
l ويتم برمجة اللوحة الملحقة HF2 حتى بتعامل الجهاز مع الترددات المرسلة "في الحالة الاستثنائية". تتم هذه البرمجة بتنشيط الخطين "clock” و "data” ووضع الخط "enable” في الحالة 1.
وبالتالي فإن كل واحدة منهما تبرمج بشكل مستقل عن الأخرى.
تركيب "إيصال لوحة ملحقة واحدة بالهوائية”
|
الجهاز من الداخل كاملا بدون أي لوحة ملحقة. |
|
|
|
الصورة التالية تبين إضافة اللوحة الملحقة HF11-A. حيث يتم إيصال الهوائية بـ ثقب الهوائية المرموز له بـ Ant في رأس هذه اللوحة (انظر إلى الدارة الكهربائية وتموضع المركبات للوحة HF11-A). |
|
|
|
أما الصورة التالية فتمثل الوجه الخلفي للوحة الملحقة HF1. |
|
|
تركيب "إيصال لوحتين ملحقتين بالهوائية”
من أجل تركيب لوحتين في آن واحد سيتطلب منا إنجاز بطاقة إليكترونية بسيطة تساعدنا على ذلك.
|
العربية إنجليزية فرنسية |
الرمز في الدارة الكهربائية |
القيمة أو الصيغة |
|
المؤلف combiner combiné |
ADP2-4 |
ADP2-4 (ELECTRONIQUE DISTRIBUTION / HFSADP-2-4) |
لإنجاز الشريحة الإليكترونية لهذه البطاقة قم بتحميل الملف التالي ثم اطبعه على الورق وأنجزها:
|
|
|
عندما تريد تركيب لوحتين (HF1 و HF2 مثلا)، قم بإيصالهما بمكانهما بهذه اللوحة البسيطة. ثم لا تنسى أن تضع الهوائية في مكانها (ANT) بهذه البطاقة. |
|
|
نصيحة
من الأفضل أن تقوم بتثبيت لوحة ملحقة واحدة فقط لاسيما اللوحة HF1. إذا اشتغل الجهاز بما يجب، فيمكنك حينها أن تقوم بتحديثه والرفع من مميزاته بإضافة اللوحة HF2 مثلا. وتذكر دائما بأن "القوة في البساطة”.
تأليف
المؤلف الأصلي: Francis THOBOIS
العنوان الإليكتروني: ( عنوان البريد الإلكتروني هذا محمي من روبوتات السبام. يجب عليك تفعيل الجافاسكربت لرؤيته.) قم بتعويض aaaaبـ francis و bbbbبـ thobois.
ترجمة بتصرف وتحرير: محمد السهلي.
{jumi [*3]}
المراجع
http://home.nordnet.fr/fthobois/STF05-look.htm
http://home.nordnet.fr/fthobois/HF11.htm








التعليقات
2- كيف تنشيط الخطين "clock” و "data” ووضع الخط "enable” في الحالة 0 أو 1